Gewindestift mit Innensechskant und abgeflachter Spitze , Stahl 45H blank, M5x16 mm

Artikel Nr.: 9110256516
https://automobile-hess.ch/web/image/product.template/2106270/image_1920?unique=fa9b99e

    CHF 0.30 CHF 0.30 0.3 CHF

    CHF 0.30

    inkl. MWST.

    Diese Kombination existiert nicht.

    Zum Warenkorb hinzufügen

    Bedingungen und Konditionen
    30 Tage Geld-zurück-Garantie
    Versand: 2-3 Geschäftstage

    Beschreibung

    Dieser Gewindestift aus Stahl mit Spitze ist für Anwendungen ausgelegt, bei denen punktuell Druck auf ein Gegenstück ausgeübt oder Bauteile sicher geklemmt werden sollen. Typische Einsatzbereiche sind beispielsweise das Klemmen in einem Stellring oder das Andrücken auf ein Gegenstück. Durch die hohe Härte wird eine hohe Torsionsfestigkeit im Innensechskant beim Anziehen und Lösen gewährleistet.

    Hinweise

    Die Regelausführung der Spitze ist 90°, sehr kurze Längen können jedoch einen Winkel von 120° aufweisen. Gewindestifte aus Stahl dürfen nur auf Druck belastet werden. Anwendungen wie Anschweissen, Anziehen oder Kontern mit Muttern sowie Biege- oder Zugbelastungen entsprechen nicht dem vorgesehenen Einsatzzweck und können zum Versagen führen.

    Tipp: Rostfreie Gewindestifte aus Edelstahl A2/A4 sind nicht speziell gehärtet und können gegebenenfalls für Zugbelastungen eingesetzt werden.

    Technische Daten

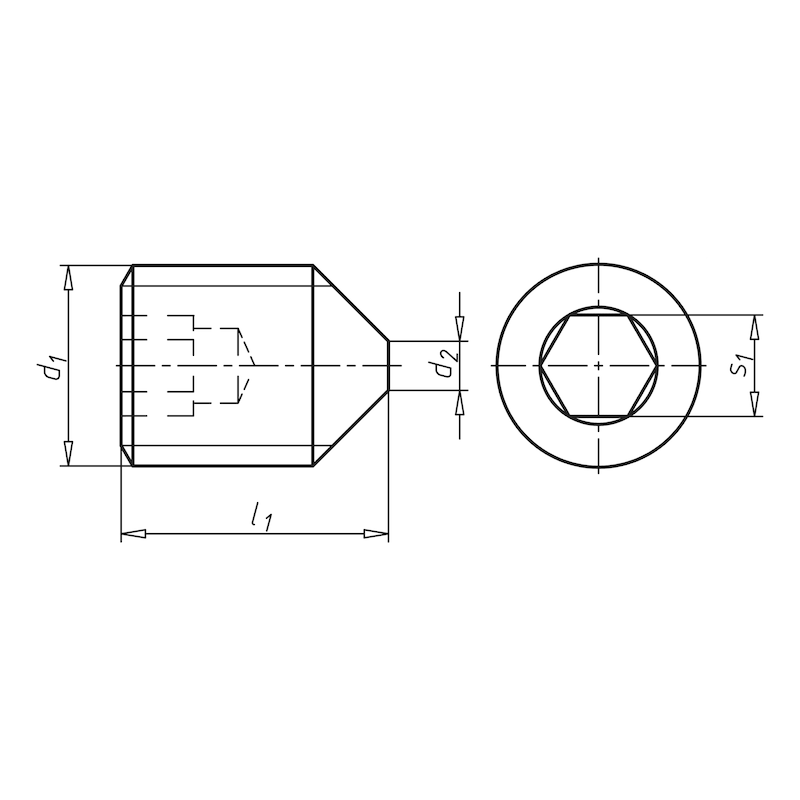
    • Gewindeart x Nenndurchmesser (d1): M5
    • Länge (l1): 16 mm
    • Spitzendurchmesser (d2): 1,25 mm
    • Innenantrieb (s1): IS2,5
    • Spitzenwinkel: 90 Grad
    • Norm: ISO 4027
    • Werkstoff: Stahl
    • Härteklasse: 45H
    • Härte: 450 HV
    • Oberfläche: Blank
    • Antriebsart: Innensechskant
    • Spitzenform: Spitze
    • RoHS-konform: Ja

    Lieferumfang

    • 1x Gewindestift Stahl ISO 4027 M5 x 16 mm mit Spitze